1   1  /  1  页   跳转

自制音响的疑问

自制音响的疑问


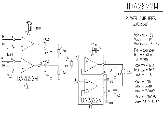
这是TDA2822M的两种图纸,左边的是普通双声道接法,功率为0.1-0.6W,电压3-15V,右边是BTL桥接法,功率为0.6-1.7W,电压3-30V,不过输出是单声道,现在有2块2822M,想用BTL方法用2块芯片分别制作一路声道输出,并且要求在电源输入输出和信号输出上制作退藕,电源输入上是为了保护220-22V变压器,电源输出是为了保护芯片及信号输入端,信号上是为了屏蔽手机,电视等的信号波,请大家帮忙设计一个制作简单的电路,个人能力有限,没有现成的电路板,需要一款比较方便的电路图来进行线路设计

用户系统信息:Mozilla/4.0 (compatible; MSIE 8.0; Windows NT 5.1; Trident/4.0; TheWorld)
分享到:
gototop
 

回复:自制音响的疑问

看图好晕啊
gototop
 

回复:自制音响的疑问

所以要找人帮忙设计,否则我一块空的板子上打孔排线有的弄了
PS:我不用万能线路板,要自己设计,如果这次行的通,暑假就设计大功率的了
gototop
 

回复:自制音响的疑问

若是楼主对这方面有兴趣的话,建议多认识几个这方面的专家,可以讨论、交流。找导师推荐几个好了,是不?
在漆黑的深夜,伸手不见五指,四周空无一人,突然有人在背后叫你的名字……啊!啊啊!!啊啊啊啊啊!!!!!GAME OVER!

gototop
 

回复 4F 如同天籁 的帖子

应该说电脑电子类的所有产品都感兴趣,不过喜欢DIY,关键这个电路问题网上找不到好的,图书馆也没有
gototop
 

回复 5F 随缘92WJC 的帖子

这个实际操作问题 需要具体是实践  咱不懂音箱耶  建议楼主去其他专业论坛问问  咱这是主攻杀毒的
gototop
 

回复 5F 随缘92WJC 的帖子

有关电路方面的问题,可能专业维修人员了解多一些,我看过有电子制作方面的图书,这类书比较偏,在图书馆里面不太好找,不过有卖的可以买回来看看。电路没有什么的,只要通了就可以了。主要是电流和电压控制好就行了。
在漆黑的深夜,伸手不见五指,四周空无一人,突然有人在背后叫你的名字……啊!啊啊!!啊啊啊啊啊!!!!!GAME OVER!

gototop
 

回复:自制音响的疑问

楼主好兴致
gototop
 

回复:自制音响的疑问

我的实践是喇叭接两根线接上就能用,这么复杂的设计就不太清楚了。
Defend against Hacker
我的百度空间
gototop
 
1   1  /  1  页   跳转
页面顶部
Powered by Discuz!NT